欢迎光临“至宝电机”企业官方网站! 新浪微博新浪微博|收藏本站|在线留言|网站地图|企业邮箱

至宝电机

20年高品质减速电机研发生产商低温防水防爆电机方案提供商

全国服务热线021-69597849

热门搜索关键词:齿轮减速电机减速电机减速电机厂家单相齿轮减速电机齿轮减速电机厂家

专业打造高品质减速电机
当前位置:首页 » 至宝电机资讯中心 » 技术资料 » 标准东元/大同铸铁马达

标准东元/大同铸铁马达


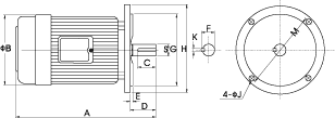
20101013034326996.gif


IEC标准三相立式马达尺寸表


输出马力

框号

A

B

C

D

E

F

G

H

J

K

M

S

重量

2P

4P

6P

1/4

1/4

--

63

248

144

10

23

3.5

12.5

110

160

10

4

130

11

8KG

1/2

1/2

1/4

71

278

162

14

30

3.5

16

110

160

10

5

130

14

12KG

1

1

1/2

80

282

177

25

40

3.5

21.5

130

200

12

6

165

19

16KG

2, 3

2

1

90L

272

200

32

50

3.5

27

130

200

12

8

165

24

25KG

--

3

2

100L

375

219

40

60

4.0

31

180

250

14.5

8

15

28

32KG

5

5

3

112M

431

235

40

60

4.0

31

180

250

14.5

8

215

28

43KG

7.5

7.5

5

132S

454

273

56

80

4.0

41

230

300

14.5

10

265

38

67KG

--

10

7.5

132M

492

273

56

80

4.0

41

230

300

14.5

10

265

38

74KG